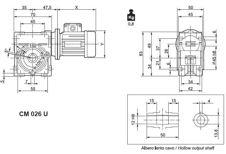
CM026U