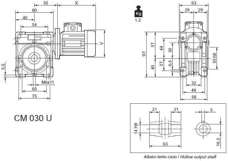
CM030U