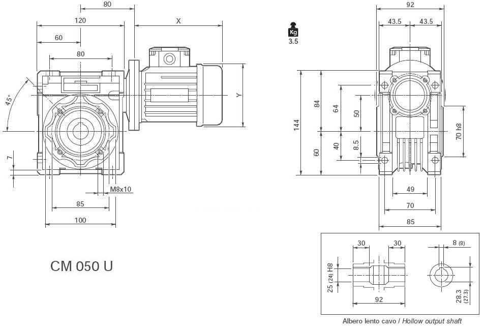
CM050U