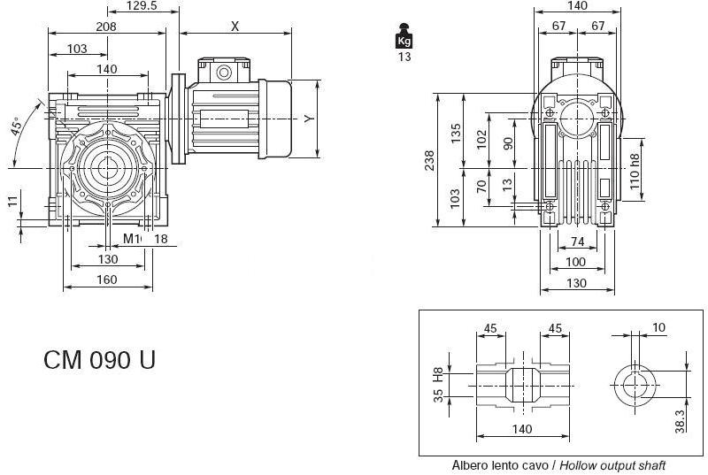
CM090U