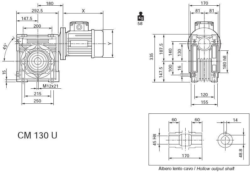
CM130U