* Asigurăm 1 an de garantie pentru toate produsele comercializate.
Furnizăm motoare electrice monofazate pină la 2,2kW cu termen de livrare scurt.
Deasemenea avem motoare cu frină, motoare Dahlander, etc.
Motoarele seria CHT au fost produse mai ales pentru a fi montat cu reductori, prin urmare au caracteristici mecanice si electrice deosebit potrivit pentru această utilizare.
Toate motoarele noastre au IP55, clasa de izolaţie F cu separator fază, pentru a fi folosit cu inverter, în aceasta condiţie poate fi prevăzut cu răcire forţată completă.
Motoarele sunt vopsite cu pulbere epoxi, culoare gri RAL 9022.

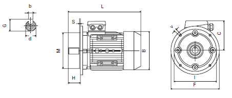
| Mărime | d | H | b | G | I | M | F | V | S | B | C | L |
|---|---|---|---|---|---|---|---|---|---|---|---|---|
| 56 | 9 | 20 | 3 | 10,2 | 65 | 50 | 80 | M5 | 2,5 | 110 | 100 | 195 |
| 63 | 11 | 23 | 4 | 12,5 | 75 | 60 | 90 | M5 | 2,5 | 123 | 110 | 215 |
| 71 | 14 | 30 | 5 | 16 | 85 | 70 | 105 | M6 | 2,5 | 138 | 117 | 255 |
| 80 | 19 | 40 | 6 | 21,5 | 100 | 80 | 120 | M6 | 3 | 155 | 137 | 290 |
| 90 | 24 | 50 | 8 | 27 | 115 | 95 | 140 | M8 | 3 | 176 | 145 | 335 |
| 100 | 28 | 60 | 8 | 31 | 130 | 110 | 160 | M8 | 3,5 | 197 | 152 | 386 |
| 112 | 28 | 60 | 8 | 31 | 130 | 110 | 160 | M8 | 3,5 | 220 | 180 | 395 |
| 132 | 38 | 80 | 10 | 41 | 165 | 130 | 200 | M10 | 4 | 257 | 195 | 475 |

| Mărime | d | H | b | G | I | M | F | V | S | B | C | L |
|---|---|---|---|---|---|---|---|---|---|---|---|---|
| 56 | 9 | 20 | 3 | 10,2 | 98 | 80 | 120 | 7 | 3 | 110 | 100 | 195 |
| 63 | 11 | 23 | 4 | 12,5 | 115 | 95 | 140 | 10 | 3 | 123 | 110 | 215 |
| 71 | 14 | 30 | 5 | 16 | 130 | 110 | 160 | 10 | 3,5 | 138 | 117 | 255 |
| 80 | 19 | 40 | 6 | 21,5 | 165 | 130 | 200 | 12 | 3,5 | 155 | 137 | 290 |
| 90 | 24 | 50 | 8 | 27 | 165 | 130 | 200 | 12 | 3,5 | 176 | 145 | 335 |
| 100 | 28 | 60 | 8 | 31 | 215 | 180 | 250 | 15 | 4 | 197 | 152 | 386 |
| 112 | 28 | 60 | 8 | 31 | 215 | 180 | 250 | 15 | 4 | 220 | 180 | 395 |
| 132 | 38 | 80 | 10 | 41 | 265 | 230 | 300 | 15 | 4 | 257 | 195 | 475 |

| Mărime | d | H | b | G | R | BB | A | T | AD | B | C | L |
|---|---|---|---|---|---|---|---|---|---|---|---|---|
| 56 | 9 | 20 | 3 | 10,2 | 36 | 71 | 90 | 56 | 156 | 110 | 100 | 195 |
| 63 | 11 | 23 | 4 | 12,5 | 40 | 80 | 100 | 63 | 173 | 123 | 110 | 215 |
| 71 | 14 | 30 | 5 | 16 | 45 | 90 | 112 | 71 | 188 | 138 | 117 | 255 |
| 80 | 19 | 40 | 6 | 21,5 | 50 | 100 | 125 | 80 | 217 | 155 | 137 | 290 |
| 90 | 24 | 50 | 8 | 27 | 56 | 100 | 140 | 90 | 235 | 176 | 145 | 335 |
| 100 | 28 | 60 | 8 | 31 | 63 | 140 | 160 | 100 | 252 | 197 | 152 | 386 |
| 112 | 28 | 60 | 8 | 31 | 70 | 140 | 190 | 112 | 292 | 220 | 180 | 395 |
| 132 | 38 | 80 | 10 | 41 | 89 | 178 | 216 | 132 | 325 | 257 | 195 | 475 |
| TIP | POLI | PUTERE | TENSIUNE | CURENT | CUPLU | EFICIENTA | FACTOR | GREUT |
|---|---|---|---|---|---|---|---|---|
| kW | V | 400 V | N/m | % | COS.0 | Kg. | ||
| CHT 56 | B2 | 0.13 | 230/400 | 0.40 | 0.42 | 62.00 | 0.69 | 3.20 |
| CHT 63 | A2 | 0.18 | 230/400 | 0.55 | 0.63 | 63.00 | 0.75 | 4.00 |
| CHT 63 | B2 | 0.25 | 230/400 | 0.71 | 0.88 | 65.00 | 0.78 | 4.40 |
| CHT 63 | C2 | 0.37 | 230/400 | 1.05 | 1.30 | 65.00 | 0.78 | 4.90 |
| CHT 71 | A2 | 0.37 | 230/400 | 0.97 | 1.29 | 70.00 | 0.79 | 5.60 |
| CHT 71 | B2 | 0.55 | 230/400 | 1.42 | 1.90 | 71.00 | 0.79 | 6.10 |
| CHT 80 | A2 | 0.75 | 230/400 | 1.77 | 2.59 | 73.00 | 0.84 | 9.10 |
| CHT 80 | B2 | 1.10 | 230/400 | 2.51 | 3.79 | 76.20 | 0.83 | 10.20 |
| CHT 80 | C2 | 1.50 | 230/400 | 3.32 | 5.12 | 78.50 | 0.83 | 11.70 |
| CHT 90 | S2 | 1.50 | 230/400 | 3.28 | 5.00 | 78.50 | 0.84 | 12.00 |
| CHT 90 | L2 | 2.20 | 230/400 | 4.61 | 7.40 | 81.00 | 0.85 | 15.00 |
| TIP | POLI | PUTERE | TENSIUNE | CURENT | CUPLU | EFICIENTA | FACTOR | GREUT |
|---|---|---|---|---|---|---|---|---|
| kW | V | 400 V | N/m | % | COS.0 | Kg. | ||
| CHT 56 | B4 | 0.09 | 230/400 | 0.43 | 0.64 | 50.00 | 0.61 | 3.20 |
| CHT 63 | A4 | 0.12 | 230/400 | 0.47 | 0.85 | 57.00 | 0.64 | 3.90 |
| CHT 63 | B4 | 0.18 | 230/400 | 0.70 | 1.27 | 57.00 | 0.65 | 4.50 |
| CHT 63 | C4 | 0.22 | 230/400 | 0.92 | 1.77 | 59.00 | 0.67 | 4.80 |
| CHT 71 | A4 | 0.25 | 230/400 | 0.84 | 1.77 | 60.00 | 0.62 | 5.60 |
| CHT 71 | B4 | 0.37 | 230/400 | 1.12 | 2.58 | 65.00 | 0.74 | 6.20 |
| CHT 71 | C4 | 0.55 | 230/400 | 1.61 | 3.81 | 66.00 | 0.75 | 7.00 |
| CHT 80 | A4 | 0.55 | 230/400 | 1.59 | 3.81 | 67.00 | 0.75 | 8.90 |
| CHT 80 | B4 | 0.75 | 230/400 | 1.94 | 5.20 | 72.00 | 0.78 | 10.00 |
| CHT 80 | D4 | 1.10 | 230/400 | 2.67 | 7.60 | 76.20 | 0.78 | 11.00 |
| CHT 90 | S4 | 1.10 | 230/400 | 2.64 | 5.19 | 76.20 | 0.79 | 12.10 |
| CHT 132 | M4 | 7.50 | 230/400 | 14.64 | 49.40 | 88.00 | 0.86 | 52.00 |
| TIP | POLI | PUTERE | TENSIUNE | CURENT | CUPLU | EFICIENTA | FACTOR | GREUT |
|---|---|---|---|---|---|---|---|---|
| kW | V | 400 V | N/m | % | COS.0 | Kg. | ||
| CHT 63 | B6 | 0.12 | 230/400 | 0.62 | 1.27 | 45.00 | 0.62 | 4.80 |
| CHT 71 | A6 | 0.18 | 230/400 | 0.70 | 1.95 | 56.00 | 0.66 | 6.00 |
| CHT 71 | B6 | 0.25 | 230/400 | 0.87 | 2.65 | 59.00 | 0.70 | 6.50 |
| CHT 71 | C6 | 0.37 | 230/400 | 1.27 | 3.97 | 61.00 | 0.69 | 7.20 |
| CHT 80 | A6 | 0.37 | 230/400 | 1.23 | 3.93 | 62.00 | 0.70 | 8.20 |
| CHT 80 | B6 | 0.55 | 230/400 | 1.65 | 5.80 | 67.00 | 0.72 | 9.90 |
| CHT 80 | C6 | 0.75 | 230/400 | 2.21 | 8.00 | 68.00 | 0.72 | 11.30 |
| CHT 90 | S6 | 0.75 | 230/400 | 2.18 | 7.80 | 69.00 | 0.72 | 11.70 |
| CHT 100 | LA6 | 1.50 | 230/400 | 3.85 | 15.20 | 74.00 | 0.76 | 19.10 |
| CHT 112 | M6 | 2.20 | 230/400 | 5.36 | 22.00 | 78.00 | 0.76 | 25.40 |
Cerere de Ofertă